欢迎来到聚酯阻燃纤维-阻燃纤维-江苏万润新材料科技有限公司网站!

联系我们

江苏万润新材料科技有限公司

联系人:蔺经理 13813683220

电话:0519-68209896

邮箱:13813683220@163.com

地址:常州市武进区遥观工业园下岸307号

立即咨询 联系我们

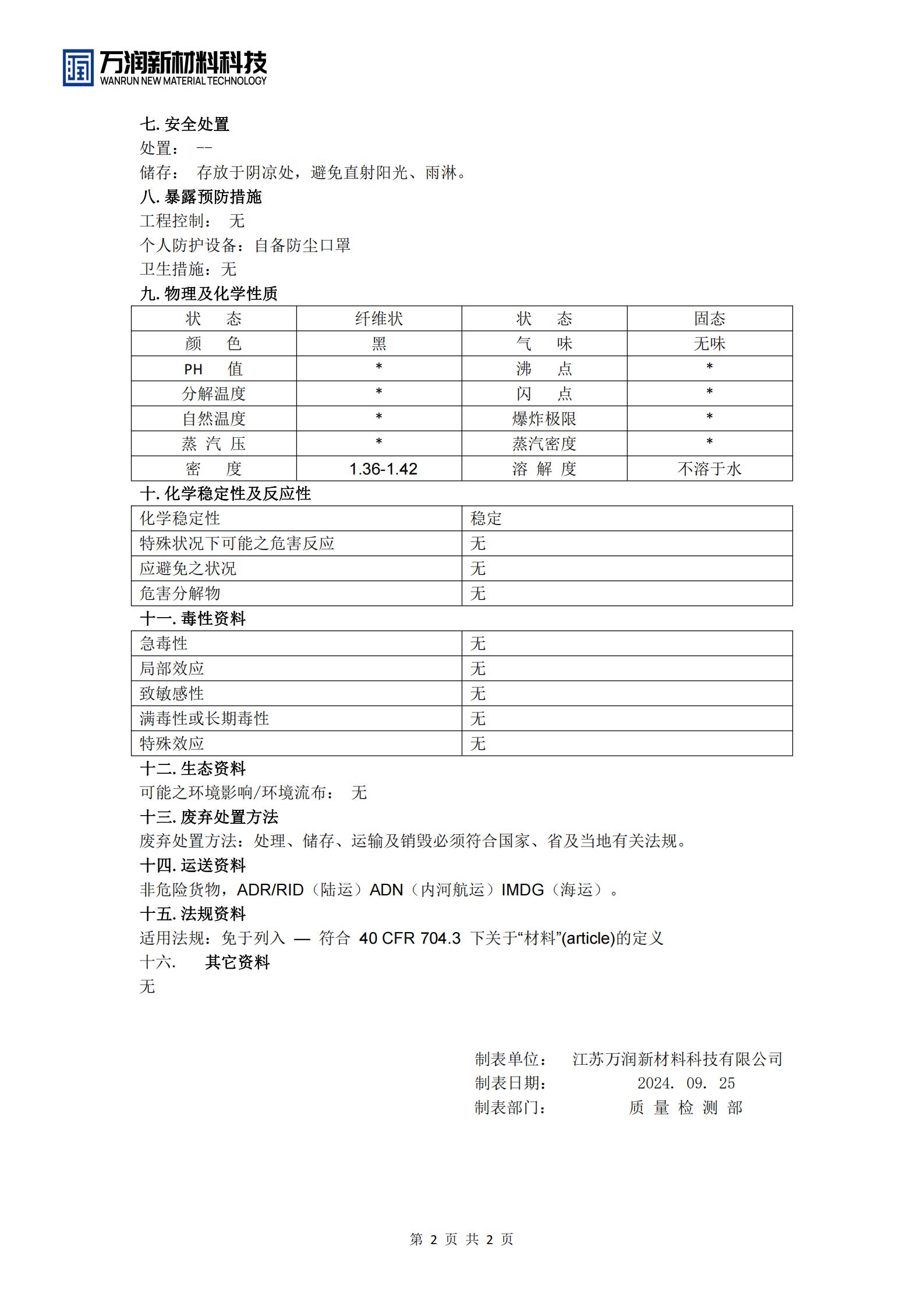
预氧丝物质安全资料(MSDS)

发布时间:2025-08-02 13:28 点击次数:174

【摘要】

Contact us    联系我们

地 址:常州市武进区遥观工业园下岸307号

联系人:蔺经理 13813683220

总机:0519-68209896

服务部:0519-68209896

咨询热线:13813683220

邮箱:13813683220@163.com

Wechat    扫一扫